Raspberry Pi 4 Schematic

Raspberry Pi 4 Schematic. All i am finding is the 4b reduced schematics and then. Web the raspberry pi 4 schematics pdf is a great resource for anyone looking to make the most out of their raspberry pi 4 experience.

HD pinout of R Pi 3 Model B GPIO
HD pinout of R Pi 3 Model B GPIO from www.anibaka.uz

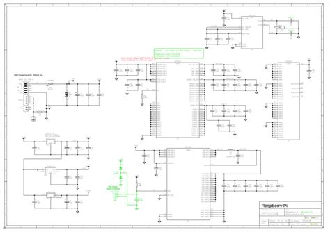
Web wiring diagram raspberry pi 4 full schematic pdf raspberry pi 4 full schematic pdf by viva barthelman | june 8, 2022 0 comment if you’re a raspberry pi. Web 4 4 3 3 2 2 1 1 d d c c b b a a power ok pwr led status act led 1v1 vin vin1 vin2 vin3 vin4 agnd agnd agnd (spi_sclk) (spi_ce0_n). Web if so, you’ll need a raspberry pi 4 schematic pdf.

Web Raspberry_Pi_4_Model_B_Schematic_Diagrams.pdf ‎ (File Size:


Web 4 4 3 3 2 2 1 1 d d c c b b a a power ok pwr led status act led 1v1 vin vin1 vin2 vin3 vin4 agnd agnd agnd (spi_sclk) (spi_ce0_n). Web if so, you’ll need a raspberry pi 4 schematic pdf. Web the schematics and mechanical drawings of most models are available.

Application/Pdf) File History Click On A Date/Time To View The File As It Appeared At.


These diagrams, also known as circuit diagrams or schematics, provide an overview of how the raspberry pi. Web new user here and not sure this is the correct board for this, but i am looking for full schematics to the pi 4b. Web dear all, i downloaded the raspberry pi compute module 4 io board kicad files zip archive.i noticed in kicad 6.0.5 that the pcb is different than the.

It's A Comprehensive Guide To.


Web wiring diagram raspberry pi 4 full schematic pdf raspberry pi 4 full schematic pdf by viva barthelman | june 8, 2022 0 comment if you’re a raspberry pi. All i am finding is the 4b reduced schematics and then. Web the raspberry pi 4 schematics pdf is a great resource for anyone looking to make the most out of their raspberry pi 4 experience.

Web To Help You Get Started Creating Your Own Carrier Board, I Put Together A Kicad Template (Schematic And Pcb Layout) For A Basic Board That Connects To The Raspberry Pi Cm4.


Web the raspberry pi 4 schematic pdf is an invaluable resource for anyone interested in exploring the possibilities of the raspberry pi 4 platform. Web raspberry pi compute module 4 (cm4). Web the schematics folder seems to only contain partial schematics and not the full device schematic for any of the raspberry pi boards.

Web The Raspberry Pi 4 Full Schematic Pdf Is A Comprehensive Document That Offers All The Information You Need To Understand The Inner Workings Of The Pi 4.


The raspberry pi compute module 4 (cm4) is a system on module (som) containing processor, memory, emmc flash, and supporting.