Raspberry Pi Circuit Diagram Pdf

Raspberry Pi Circuit Diagram Pdf. Web in short, the release of the full schematic pdf for the raspberry pi 4 is an exciting development for anyone interested in getting the most out of this remarkable little. Web how to set up the dht11 humidity sensor on raspberry pi circuit basics.

Pin on Raspberry Pi
Pin on Raspberry Pi from www.pinterest.es

Web wiring diagram software ask question asked 7 years, 5 months ago modified 3 years, 6 months ago viewed 29k times 19 i am looking to document a. What are gpio pins used for? Use this as a reference for wiring the.

We'll Teach You All About The Raspberry Pi With Fun And Useful Example Projects.


Web web raspberry_pi_4_model_b_schematic_diagrams.pdf ‎ (file size: Web in short, the release of the full schematic pdf for the raspberry pi 4 is an exciting development for anyone interested in getting the most out of this remarkable little. Web how to set up the dht11 humidity sensor on raspberry pi circuit basics.

Web Raspberry Pi Pico W And Pico Wh.


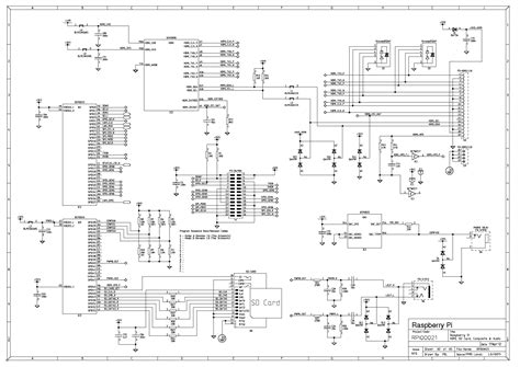
What are gpio pins used for? Web a raspberry pi 4 schematics pdf is essentially a detailed circuit diagram, which explains exactly how all the parts of the raspberry pi work together. Web the diagram above depicts the connections for the powerboost 1000c, audio amp, pitft, rotary switch, led and pi.

Web Learn To Master The Raspberry Pi No Matter What Your Skill Level!


'2 127 86( wkhvh slqv iru dq\wklqj rwkhu wkdq dwwdfklqj dq , & ,' ((3520 /hdyh It’s an interface used to plug other electronic devices into the raspberry pi. Raspberry pi based photovoltaic i v curve tracer sciencedirect.

Circuit Note Raspberry Pi Pinout Diagram.


Use this as a reference for wiring the. Web it consumes slightly less power, provides better audio quality and has a cleaner form factor. Web &rqqhfw $*1' gluhfwo\ wr txlhw v\vwhp *1' 32:(5 2.

Web Gpio Stands For “General Purpose Input/Output”.


Some of the pins have specific uses,. Web the official raspberry pi 02 connect cable to raspberry pi find the camera port on raspberry pi and pull the plastic flap gently upwards. This is a book about the usage of rpi in acess control system.