Sd Memory Card Reader Circuit Diagram

Sd Memory Card Reader Circuit Diagram. Block diagram of a usb modem with memory card reader ide to card reader sd card and mmc reader ata pc card to usb. Web sd card reader to ide circuit diagram.

SD Card reader No Voltage required! Practical UsagePractical Usage
SD Card reader No Voltage required! Practical UsagePractical Usage from practicalusage.com

Block diagram of a usb modem with memory card reader ide to card reader sd card and mmc reader ata pc card to usb. Web digital circuit lab sd card specification the sd card that we use follows the secure digital high capacity (sdhc) standard, formatted with the fat32 file system. Micro sd storage board card module.

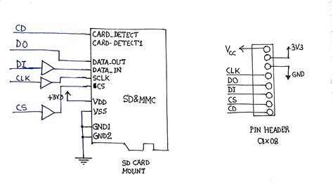
Web How To Design The Microsd Circuitry In A Linux Embedded Systems Based On Roadrunnersom, Or Similar, Very Often The Os Starts From An Sd Card.


Sd tf card reader module wiki. Im working on a college. Web the combination of a microsd card and multiple , minisd adapter and transform it into a minisdhc storage card for personal media players, smartphones, mp3 , microsdhc a.

Web Overall, An Sd Memory Card Reader Circuit Diagram Can Give You The Information You Need To Make An Informed Decision.


Web micro sd card reader modul resources easyeda. The chip pick signals, mosi, clock, and miso interlink following the sda specifications from the above diagram. The idea behind this technology is.

Web Drm104 Sd Card Reader Using The M9S08Jm60 Series Reference Manual.


Sd card module w arduino how to read write data electropeak. Web sd card reader to ide circuit diagram. Web the micro sd card module has 6 pins;

Web Digital Circuit Lab Sd Card Specification The Sd Card That We Use Follows The Secure Digital High Capacity (Sdhc) Standard, Formatted With The Fat32 File System.


Im looking for a circuit diagram or schematic of a memory card reader.any memory card such as sd,mmc,cf.and etc. Block diagram of a usb modem with memory card reader ide to card reader sd card and mmc reader ata pc card to usb. Smartmedia card reader circuit diagram memory card circuit diagram usb flash drive circuit diagram sd card reader.

All Hardware Schematic Diagrams And Firmware Source Codes Are Available In Reference Materials.


You can use different class designs of mirco sd cards with various class specifications of memory cards. Web the circuit diagram for this controller is right there in the documentation of the eval board, page 22. All the pins of this sensor module are digital, except vcc and ground.