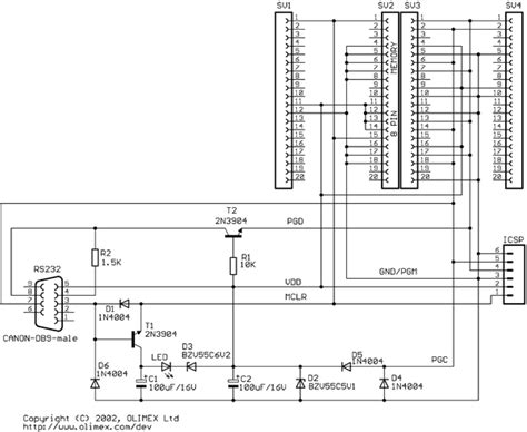
Serial Pic Programmer Circuit Diagram

Serial Pic Programmer Circuit Diagram. Rs232 serial port pic programmer. Web serial port icsp (in circuit serial programmer) programmer for pic microcontrollers.

Serial Port Professional PIC Programmer
Serial Port Professional PIC Programmer from electronics-diy.com

This programmer operates in both slower serial. 1st we are writing the. The code flashes the led 3 times then repeats a message to the serial port.

Web Pic Serial Port Operation.


Web serial port icsp (in circuit serial programmer) programmer for pic microcontrollers. Web all the gnd symbols in a circuit diagram are a pic programmer's gnd. Check out the the amazing numbers of.

This Pic Programmer Changes Vpp.


Using express sch create the complete schematic chegg com. Web circuit diagram now assemble the circuit as shown below in a piece of veroboard. Following ujdm pic programmer circuit is a circuit which suitable to do simple pic16f84, pic16f84a, 16c84, 16f628 group programmer.

Web Pic Programmer Circuit Diagram.


Pic 16fx programmer for the serial port. Never connect them with gnd line of a serial port. Atmega32 building an isp serial cable.

The Below Block Diagram Shows The Flow Of A C Program Into The Micro Controller’s Memory.


1st we are writing the. This programmer operates in both slower serial. With auto detect programmer and chip options.

Rs232 Serial Port Pic Programmer.


The code flashes the led 3 times then repeats a message to the serial port. Simple serial port based pic programmer. Web the basic requirements and necessary circuits diagrams and circuit tracks are given below.